本章(zhang)所介紹的(de)美(mei)國管件標準(zhun)主(zhu)要(yao)為美(mei)國機械工(gong)程師(shi)協(xie)會(即ASME)近(jin)期發布(bu)的(de)最新標準(zhun),這些管件標準(zhun)主(zhu)要(yao)為:灰鑄(zhu)鐵(tie)螺紋管件(ASME B16.4-1998)、可(ke)鍛(duan)鑄(zhu)鐵(tie)螺紋管件(ASME B16.3-1998)、承插(cha)焊和螺紋連接(jie)鍛(duan)鋼(gang)制(zhi)管件(ASME B16.11-2005)、工(gong)廠制(zhi)造(zao)的(de)鍛(duan)鋼(gang)對焊管件及(ji)鍛(duan)鋼(gang)制(zhi)對焊短半徑彎頭和180°彎頭等(deng)。
承(cheng)插焊和螺紋連接鍛鋼(gang)制管件 ASME B16.11-2005 標準
一、 適用范(fan)圍(wei)
1. 總則
ASME B16.11-2005標準適用(yong)于表(biao)20-30~表(biao)20-39所示的(de)承插焊(han)式和(he)螺紋連(lian)接式兩種鍛制(zhi)管(guan)件的(de)壓力-溫(wen)度等級、材料、尺寸、公差和(he)標志。
a. 管件型式/形狀
本標準所包含(han)的管(guan)件型(xing)式(按磅級及規格區分(fen))見表20-26。表20-30~表20-39所示的管(guan)件也(ye)可(ke)制成承(cheng)插焊端(duan)和螺紋端(duan)組(zu)合式管(guan)件。
b. 專用管(guan)件
經供需雙方協商,可(ke)以制造帶特(te)殊(shu)螺紋或特(te)殊(shu)锪孔的(de)管件(jian)。這些管件(jian),當符合本標(biao)準(zhun)的(de)所有其(qi)他(ta)條文規(gui)定時,只(zhi)要作(zuo)適(shi)當的(de)標(biao)志(zhi)(見20.3.8條標(biao)志(zhi)內容),則應被認為(wei)是與本標(biao)準(zhun)相符合的(de)管件(jian)。
c. 質量體系(xi)
按(an)本標(biao)準(zhun)制(zhi)(zhi)(zhi)造(zao)的(de)(de)(de)產(chan)(chan)品,應(ying)按(an)質量體系程(cheng)序(xu)(xu)生產(chan)(chan),該(gai)(gai)程(cheng)序(xu)(xu)應(ying)按(an)照ISO 9000系列的(de)(de)(de)某一合(he)適(shi)的(de)(de)(de)標(biao)準(zhun)的(de)(de)(de)原則制(zhi)(zhi)(zhi)定。制(zhi)(zhi)(zhi)造(zao)廠(chang)(chang)(chang)有責任確定是(shi)否(fou)需要由一個獨立的(de)(de)(de)組織機構對產(chan)(chan)品制(zhi)(zhi)(zhi)造(zao)廠(chang)(chang)(chang)的(de)(de)(de)質量體系程(cheng)序(xu)(xu)進(jin)行(xing)注冊和(he)/或(huo)認證。采(cai)購(gou)(gou)方(fang)在(zai)制(zhi)(zhi)(zhi)造(zao)廠(chang)(chang)(chang)的(de)(de)(de)場所應(ying)能得(de)到演示程(cheng)序(xu)(xu)符合(he)性(xing)的(de)(de)(de)詳細文件。應(ying)采(cai)購(gou)(gou)方(fang)的(de)(de)(de)請(qing)求,采(cai)購(gou)(gou)方(fang)可以得(de)到產(chan)(chan)品制(zhi)(zhi)(zhi)造(zao)廠(chang)(chang)(chang)提供的(de)(de)(de)其(qi)所使用的(de)(de)(de)該(gai)(gai)質量體系程(cheng)序(xu)(xu)的(de)(de)(de)書面概括(kuo)說明。所謂產(chan)(chan)品制(zhi)(zhi)(zhi)造(zao)廠(chang)(chang)(chang)是(shi)指按(an)本標(biao)準(zhun)標(biao)志或(huo)識別要求顯示在(zai)產(chan)(chan)品上的(de)(de)(de)完整廠(chang)(chang)(chang)名或(huo)商(shang)標(biao)。
2. 使用(yong)條件
選(xuan)擇適合于特定流體(ti)使用條(tiao)件(jian)的(de)管(guan)件(jian)型式和材料的(de)標(biao)準(zhun)不在本標(biao)準(zhun)的(de)范圍內(nei)。
3. 焊(han)接
安裝(zhuang)焊接要求不(bu)在本(ben)標準的范圍內。安裝(zhuang)焊接應按(an)照(zhao)適用的管(guan)(guan)道規(gui)范或包含(han)安裝(zhuang)該管(guan)(guan)件的管(guan)(guan)道系統的規(gui)程進行。
4. 標準計量單(dan)位
無(wu)論是以(yi)米(mi)制(zhi)(zhi)計量(liang)單(dan)位(wei)(wei)或是英制(zhi)(zhi)計量(liang)單(dan)位(wei)(wei)表(biao)示的(de)(de)(de)數(shu)值(zhi)均視(shi)為標(biao)準(zhun)值(zhi)。在正文中英制(zhi)(zhi)單(dan)位(wei)(wei)值(zhi)列于括號內,以(yi)每(mei)種單(dan)位(wei)(wei)制(zhi)(zhi)表(biao)示的(de)(de)(de)數(shu)值(zhi)并(bing)非(fei)精確相等。因此,每(mei)種單(dan)位(wei)(wei)制(zhi)(zhi)必須(xu)單(dan)獨使(shi)(shi)用(yong)。混合使(shi)(shi)用(yong)兩(liang)種單(dan)位(wei)(wei)制(zhi)(zhi)的(de)(de)(de)數(shu)值(zhi)可能會(hui)造成(cheng)與標(biao)準(zhun)的(de)(de)(de)不一致性。
二、壓(ya)力等級(ji)
1. 總則
對于(yu)螺紋端(duan)管件,應(ying)標為(wei)2000、3000和(he)6000磅級;對于(yu)承插(cha)焊(han)端(duan)管件,應(ying)標為(wei)3000、6000和(he)9000磅級。
a. 壓力-溫度等級的計算依據
為了確定等(deng)(deng)級,將相(xiang)應于各磅級管(guan)件(jian)的(de)(de)(de)(de)管(guan)壁厚(hou)度(du)(du)系列(lie)號示于表(biao)20-27中(zhong)(zhong)(zhong)(zhong)。設(she)計(ji)(ji)溫度(du)(du)和(he)其他(ta)使用(yong)條(tiao)件(jian)應受(shou)所適用(yong)的(de)(de)(de)(de)管(guan)道規(gui)范或管(guan)件(jian)結構材(cai)(cai)料規(gui)程(cheng)的(de)(de)(de)(de)限制(zhi)(zhi)。這些(xie)限制(zhi)(zhi)中(zhong)(zhong)(zhong)(zhong),管(guan)件(jian)的(de)(de)(de)(de)最(zui)大許(xu)用(yong)壓力(li)(li)應是按(an)等(deng)(deng)同材(cai)(cai)料(如按(an)各種材(cai)(cai)料規(gui)范中(zhong)(zhong)(zhong)(zhong)材(cai)(cai)料的(de)(de)(de)(de)化學成分(fen)和(he)力(li)(li)學性能(neng)對比得出(chu)的(de)(de)(de)(de))制(zhi)(zhi)成的(de)(de)(de)(de)直無(wu)縫管(guan)計(ji)(ji)算求出(chu)的(de)(de)(de)(de)。用(yong)于此種計(ji)(ji)算的(de)(de)(de)(de)壁厚(hou)應是ASME B36.10M中(zhong)(zhong)(zhong)(zhong)對管(guan)子規(gui)格和(he)相(xiang)應管(guan)壁厚(hou)度(du)(du)序(xu)列(lie)號的(de)(de)(de)(de)表(biao)列(lie)值減去(qu)12.5%的(de)(de)(de)(de)制(zhi)(zhi)造公(gong)差(cha)(cha)和(he)其他(ta)公(gong)差(cha)(cha)(例(li)如螺紋公(gong)差(cha)(cha))。任何腐蝕裕量和(he)由于溫度(du)(du)和(he)其他(ta)設(she)計(ji)(ji)因素(su)引起許(xu)用(yong)應力(li)(li)的(de)(de)(de)(de)任何變(bian)化應同樣適用(yong)于管(guan)子和(he)管(guan)件(jian)。

b. 非標準管(guan)子壁厚
由(you)于(yu)ASME B36.10M既(ji)不包括Sch160,也(ye)不包括NPS1/8、NPS1/4和NPS3/8雙(shuang)倍加(jia)厚管的(de)壁厚,所以(yi)表20-28中的(de)數值可用于(yu)作為(wei)確定等級時(shi)管子的(de)公稱壁厚。

c. 組(zu)合(he)端管(guan)件(jian)
與承插(cha)焊端和螺(luo)紋端組合制造的管件,其磅級應依據表20-27中(zhong)最(zui)低等級的端部(bu)形狀確定。
2. 耐(nai)壓試驗的可行(xing)性
本標準不(bu)要求進(jin)行耐壓試驗,但管件(jian)應能承受適用的(de)管道規(gui)范對無(wu)縫(feng)管所要求的(de)水壓試驗壓力(li)。這種無(wu)縫(feng)管的(de)材料與管件(jian)的(de)鍛(duan)材相(xiang)當,其(qi)Sch No.或壁(bi)厚與表20-27中的(de)管件(jian)磅級和端(duan)部連接有(you)關。
三、規格(ge)
1. 總則
公稱(cheng)管件規格(ge)的(de)代號是NPS后跟無因次的(de)數字。NSP與國際標(biao)準(zhun)中所使用的(de)標(biao)準(zhun)公稱(cheng)通徑DN有關(guan)。它們之(zhi)間的(de)關(guan)系(xi)見(jian)表20-29。

2. 異徑管件規格(ge)
對于異(yi)徑三(san)通(tong)(tong)和四通(tong)(tong),應首先給出(chu)最大主(zhu)管(guan)開口規(gui)格(ge),緊(jin)接(jie)著給出(chu)主(zhu)管(guan)相對端的(de)(de)開口規(gui)格(ge)。管(guan)件為三(san)通(tong)(tong)時(shi),其支管(guan)規(gui)格(ge)放在(zai)最后,管(guan)件為四通(tong)(tong)時(shi),第三(san)個(ge)給出(chu)的(de)(de)是(shi)旁邊(bian)的(de)(de)最大開口規(gui)格(ge),緊(jin)接(jie)著給出(chu)的(de)(de)是(shi)對面的(de)(de)出(chu)口尺寸(cun)。異(yi)徑三(san)通(tong)(tong)和四通(tong)(tong)出(chu)口的(de)(de)表(biao)示方法(fa)見(jian)圖(tu)20-26。

四、材料(標準材料)
管(guan)件的(de)材(cai)料(liao)應包(bao)括(kuo)鍛件、棒(bang)材(cai)、無縫管(guan)或管(guan)材(cai)。這些(xie)材(cai)料(liao)應符合(he)ASME B16.34《法蘭、螺紋及(ji)焊接(jie)連接(jie)端的(de)閥(fa)門》表1(包(bao)括(kuo)表2中可適用(yong)的(de)注釋)中所(suo)列鍛造產品的(de)冶煉工藝、化(hua)學(xue)成(cheng)分要求(qiu)和(he)力學(xue)性能(neng)要求(qiu)。三通(tong)(tong)、彎頭和(he)四通(tong)(tong)不能(neng)用(yong)棒(bang)材(cai)制作。
五、結(jie)構型式與尺寸(cun)
1. 承插焊管件
承插焊管(guan)件尺(chi)寸(cun)分米制及(ji)英制兩(liang)個(ge)系列(lie)。米制管(guan)件型式見圖20-27,尺(chi)寸(cun)見表(biao)20-30;英制管(guan)件型式見圖20-27,尺(chi)寸(cun)見表(biao)20-31。




a. 本體壁厚
承插焊管件(jian)本體壁厚(hou)應(ying)等于(yu)或大于(yu)表20-30和20-31中所(suo)示的G值。
b. 承口壁厚
承(cheng)口的(de)(de)平均壁(bi)厚(hou)和最小(xiao)壁(bi)厚(hou)應不小(xiao)于表20-30和表20-31中所示C的(de)(de)相(xiang)應值。
c. 承口位置
承(cheng)(cheng)口底相對(dui)(dui)于(yu)承(cheng)(cheng)插焊管件中心線(xian)的固定位置應按表(biao)20-30和表(biao)20-31中尺寸(cun)A的要求(qiu)予(yu)以保(bao)持。對(dui)(dui)于(yu)異徑(jing)管件,見20.3.5.4條。
d. 承(cheng)口深(shen)度(du)
承(cheng)口深度應不小(xiao)于表(biao)20-30和(he)表(biao)20-31中所示J的最(zui)小(xiao)值。
e. 承口孔
承口(kou)孔內(nei)表面(mian)應進(jin)行精加工,不得(de)有毛刺。
f. 垂直度
承(cheng)插焊管(guan)件的端部平面與承(cheng)口軸心線應(ying)成直(zhi)角。
g. 寬(kuan)度
鍛件半徑不應使平焊表(biao)面(mian)的寬度減(jian)小(xiao)到小(xiao)于圖20-28所示值。

2. 螺紋管件
螺紋(wen)(wen)管(guan)件(jian)包括鍛造(zao)螺紋(wen)(wen)管(guan)件(jian)、帶內外螺紋(wen)(wen)的(de)鍛造(zao)彎頭、非鍛造(zao)的(de)螺紋(wen)(wen)管(guan)件(jian)、絲(si)堵和絲(si)套4類。每類螺紋(wen)(wen)管(guan)件(jian)尺寸又分米(mi)制(zhi)和英制(zhi)兩個系列(lie)。
米制鍛造(zao)螺(luo)紋管件的型式(shi)見(jian)(jian)(jian)圖20-29,尺寸見(jian)(jian)(jian)表20-32;英制鍛造(zao)螺(luo)紋管件的型式(shi)見(jian)(jian)(jian)圖20-29,尺寸見(jian)(jian)(jian)20-33。
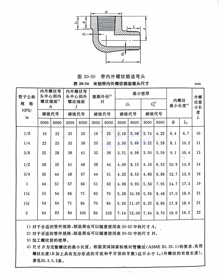
米制(zhi)帶(dai)內外螺紋的(de)鍛造彎(wan)頭型式見圖(tu)20-30,尺寸見表20-34;英制(zhi)帶(dai)內外螺紋的(de)鍛造彎(wan)頭型式見圖(tu)20-30,尺寸見表20-35。
米制非鍛造(zao)螺紋管(guan)(guan)件的(de)型式見圖(tu)(tu)20-31,尺寸見表(biao)(biao)20-36;英制非鍛造(zao)螺紋管(guan)(guan)件的(de)型式見圖(tu)(tu)20-31,尺寸見表(biao)(biao)20-37。
米制絲(si)(si)堵和絲(si)(si)套的(de)型式見(jian)(jian)圖20-32,尺寸(cun)見(jian)(jian)表20-38;英制絲(si)(si)堵和絲(si)(si)套的(de)型式見(jian)(jian)圖20-32,尺寸(cun)見(jian)(jian)表20-39。







a. 壁厚
螺(luo)紋管(guan)件本體(ti)或端部(bu)壁(bi)厚(hou)應等(deng)于或大于表20-32~表20-37中(zhong)所(suo)示的(de)最小G、G1和(he)G2值。
b. 內(nei)螺紋(wen)
所(suo)有帶內(nei)螺紋(wen)(wen)的(de)管件應按美國國家標準(zhun)《錐管螺紋(wen)(wen)》(ASME B 1.20.1)加(jia)(jia)工螺紋(wen)(wen)。當使用工作量(liang)規時(shi),螺紋(wen)(wen)加(jia)(jia)工的(de)誤(wu)差從(cong)測(ce)量(liang)槽口開(kai)始應限(xian)制為大一圈或小一圈螺紋(wen)(wen)內(nei)。測(ce)量(liang)基(ji)準(zhun)點(dian)是管件的(de)開(kai)始端。只(zhi)要倒角(jiao)不超(chao)(chao)過內(nei)螺紋(wen)(wen)大徑(jing)。當內(nei)螺紋(wen)(wen)的(de)倒角(jiao)超(chao)(chao)過此限(xian)制時(shi),基(ji)準(zhun)點(dian)即為倒角(jiao)錐上的(de)最后(hou)一牙螺紋(wen)(wen)刻痕。
c. 外螺紋
所有帶(dai)外螺(luo)(luo)(luo)紋(wen)(wen)(wen)的(de)管件均應按美國國家標準《錐管螺(luo)(luo)(luo)紋(wen)(wen)(wen)》(ASME B1.20.1)加(jia)工(gong)螺(luo)(luo)(luo)紋(wen)(wen)(wen)。當(dang)使用工(gong)作量規(gui)時(shi),螺(luo)(luo)(luo)紋(wen)(wen)(wen)加(jia)工(gong)的(de)誤(wu)差從(cong)環規(gui)的(de)測(ce)量面開始限(xian)制為大一圈(quan)或(huo)小一圈(quan)螺(luo)(luo)(luo)紋(wen)(wen)(wen)內(nei)。測(ce)量的(de)基準點是螺(luo)(luo)(luo)紋(wen)(wen)(wen)的(de)端部(bu)。
d. 锪錐孔和倒角
所(suo)有(you)內螺(luo)紋(wen)均應锪錐孔(kong)(kong),其(qi)距離不小于(yu)螺(luo)紋(wen)的(de)(de)一半(ban),并(bing)常有(you)與(yu)螺(luo)紋(wen)軸心大約成45°的(de)(de)夾角;所(suo)有(you)的(de)(de)外螺(luo)紋(wen)均應帶有(you)與(yu)軸線(xian)成30°~45°的(de)(de)倒(dao)角,以(yi)便在(zai)制(zhi)作接頭時易進入(ru)連(lian)接和(he)保護螺(luo)紋(wen)。锪錐孔(kong)(kong)與(yu)倒(dao)角應與(yu)螺(luo)紋(wen)同(tong)心。各表中規定的(de)(de)螺(luo)紋(wen)長(chang)度,測(ce)量(liang)時應包括锪孔(kong)(kong)或倒(dao)角。
3. 頸圈
表(biao)20-30~表(biao)20-33中所屬簡圖所示的承插焊式或螺紋連(lian)接式兩種管(guan)件的端部頸圈應能(neng)覆蓋岔口區。
4. 異徑管件
異徑管(guan)件(jian)應具有和相同規(gui)格管(guan)件(jian)(該(gai)管(guan)件(jian)與異徑管(guan)件(jian)的最大規(gui)格端(duan)部(bu)連接相符合)一樣的中(zhong)心到(dao)端(duan)部(bu)、中(zhong)心到(dao)承口底部(bu)、箍圈直徑和外徑尺(chi)寸。
六、公差(附加(jia)公差)
附加(jia)于表(biao)20-30~表(biao)20-31的(de)承插焊管件所列各值的(de)公差(cha)如下:
a. 通口(kou)的同(tong)心(xin)度(du)
承口(kou)孔(kong)和管件通(tong)孔(kong)應(ying)同心,其(qi)公(gong)差對各(ge)種規格的(de)管件均為0.8mm(0.03in)。相(xiang)對承口(kou)孔(kong)應(ying)同心,其(qi)公(gong)差對各(ge)種規格的(de)管件均為1.5mm(0.06 in)。
b. 軸線(xian)的重合度
管件通孔與承口孔軸線的同軸度最大(da)允差為1mm/200 mm(0.06 in/ft)。螺紋同軸度的最大(da)允差應為1mm/200 mm(0.06 in./ft)。
七(qi)、驗(yan)證試(shi)驗(yan)
對(dui)按本標(biao)準制造的管(guan)件,不(bu)要求作驗(yan)證試驗(yan)。
八、標(biao)志
每個管(guan)(guan)件(jian)(jian)都應(ying)用鍛出凸字和/或打鋼印、電(dian)腐蝕或振動工(gong)具標(biao)(biao)記方(fang)法在(zai)鍛造管(guan)(guan)件(jian)(jian)的(de)頸部、凸墊和凸轂部分做(zuo)出永久性(xing)的(de)識別(bie)標(biao)(biao)志(zhi)。圓筒形管(guan)(guan)件(jian)(jian)應(ying)標(biao)(biao)志(zhi)在(zai)外徑或在(zai)焊接安裝(zhuang)后標(biao)(biao)志(zhi)不會消失或不會被涂掉的(de)管(guan)(guan)件(jian)(jian)端部。本標(biao)(biao)準不要(yao)求對絲套、絲堵作標(biao)(biao)志(zhi)。
1. 專用標志
標(biao)志應包(bao)括但(dan)不局限于(yu)下(xia)列內容(rong):
a. 制造廠的名稱(cheng)或(huo)商標。
b. 材料(liao)標(biao)志(zhi) 材料(liao)應按適合的ASTM管件規(gui)范A234、A403、A420、A815或B366,或按適合的ASTM鍛件技術規(gui)范A105、A182、A350、B160、B164、B462、B564,或ASME B16.34表1中其他適用的鍛件技術規(gui)范中的標(biao)志(zhi)要求進(jin)行識別。
c. 產品(pin)符合證(zheng)明 20.3.1.1a條所(suo)包(bao)含的(de)管件(jian)應(ying)標以(yi)(yi)(yi)ASTM管件(jian)技(ji)術(shu)規范的(de)材料識別標志“WP-”或“B16”符號,以(yi)(yi)(yi)表示符合本標準。20.3.1.1b條所(suo)包(bao)含的(de)專用管件(jian)應(ying)標以(yi)(yi)(yi)B16 SPLD。
d. 磅級代(dai)號 根(gen)據適用(yong)(yong)情(qing)(qing)況,有2000、3000或6000或9000等4種表(biao)示方法。用(yong)(yong)另一種方法,根(gen)據適用(yong)(yong)情(qing)(qing)況可以(yi)使用(yong)(yong)代(dai)號2M、3M、6M或9M表(biao)示,此(ci)處M代(dai)表(biao)1000。
e. 規(gui)格(ge) 指(zhi)與(yu)端部連接(jie)有關的公稱管子規(gui)格(ge)。
2. 標志(zhi)的(de)省略(lve)
當管(guan)件的(de)規格和(he)形(xing)狀不允許作上(shang)述(shu)所有標(biao)志時,標(biao)志符號(hao)可(ke)按上(shang)述(shu)相反的(de)順(shun)序進行省(sheng)略。

