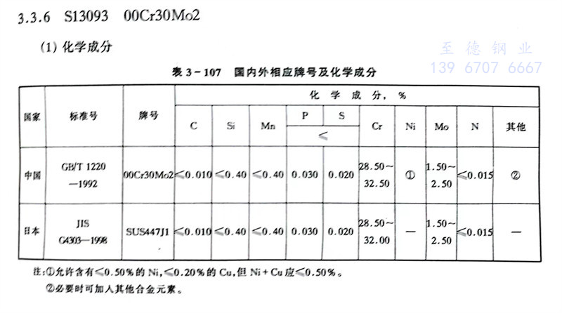
S13093 00Cr30Mo2 不銹鋼(gang)主要特性和用(yong)途
高(gao)(gao)(gao)純(chun)鐵素體型不銹鋼(gang),由于(yu)鉻和鉬含(han)量高(gao)(gao)(gao),而碳和氮的含(han)量又(you)降至極(ji)低,從而提高(gao)(gao)(gao)鋼(gang)的耐(nai)蝕能力,特別是耐(nai)應力腐蝕和耐(nai)點腐蝕能力,并具有(you)軟(ruan)磁性。同時,鋼(gang)的脆性轉變(bian)溫度降低,韌性提高(gao)(gao)(gao)。
用于制造與醋(cu)酸(suan)、乳酸(suan)等(deng)有機酸(suan)有關的設備(bei),生(sheng)產苛性(xing)堿設備(bei),以及在(zai)要求耐鹵素(su)離子應(ying)力腐蝕和耐點腐蝕條件(jian)下(xia)工(gong)作的設備(bei)和構件(jian),還可(ke)制造防(fang)止公害(hai)的機器。



